首页 辅件

辅件-插孔

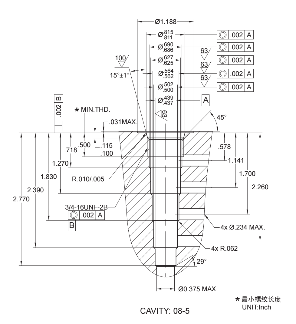
CAVITY: 08-5

日期:2023年12月20日 13:05

2-外形图.png

联系我们