展开全部
收起全部
-
技术特性
工作:
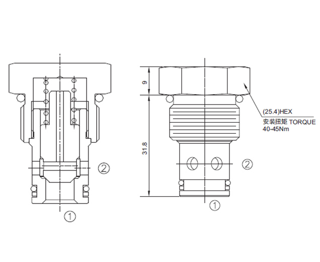
当在①口的压力超过开启压力,①到②开启;
在反方向,②到①关闭。
-
技术曲线

-
技术参数
工作压力350Bar流量请查看《压力-流量曲线图》插孔10-2过滤参考《油液清洁度》内泄漏2 drops/min(滴/分). max. at 350bar开启压力0.3=0.3bar
0.7=0.7bar
2.1=2.1bar
4.5=4.5bar
6.9=6.9bar温度-40°F to +250°F(-40°C to +120°C)油液Mineral-based fluids with viscosities of 7.4 to 420 cSt.(矿物油粘度)阀块材料钢和球铁允许使用最大压力350bar
-
文件下载
PDF文件 -
相关辅件












