展开全部
收起全部
-
技术特性
工作:
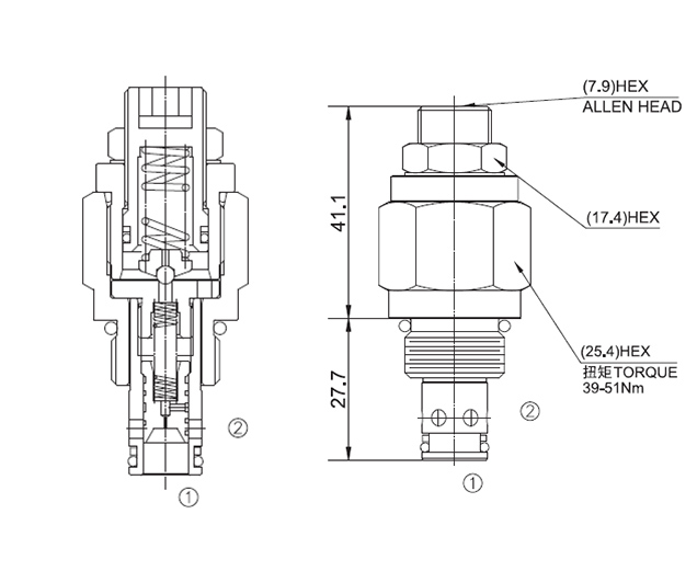
阀体①口和②口不通,直到①口压力超过设定压力且打开先导阀芯。这样, 先导阀芯
引起主阀芯两端压力差的变化, 压力差达到一定时, ①口和②口互通。
此阀在液压系统中,平滑响应负载变化。
-
技术曲线

-
技术参数
工作压力350Bar流量请查看《压力-流量曲线图》插孔08-2过滤参考《油液清洁度》内泄漏82cc/min. max. to 90% of nominal setting pressure弹簧调压范围3.45bar to 103.5bar, preset预设定: 31bar
3.45bar to 207bar, preset预设定: 65.5bar
3.45bar to 350bar, preset预设定: 103bar温度-40°F to +250°F(-40°C to +120°C)油液Mineral-based fluids with viscosities of 7.4 to 420 cSt.(矿物油粘度)阀块材料钢和球铁允许使用最大压力350bar -
文件下载
PDF文件 -
相关辅件












