展开全部
收起全部
-
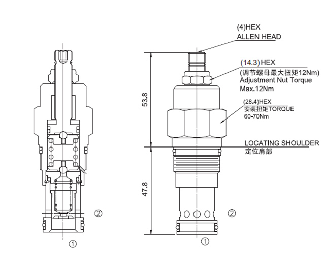
技术特性
工作:
快速响应先导式滑阀型溢流阀用于保护系统的压力瞬时过载,快速启闭时仍能保持系
统平稳性。当①口压力超过阀的设定时,①口到②口溢流过载,限制系统压力升高,
该阀对压力反应灵敏。
②口背压会按1:1 叠加到阀的设定压力上。
-
技术曲线

-
技术参数
流量请查看《压力-流量曲线图》插孔SUN T-3A最大工作压力350Bar最大流量200 L/min.内泄漏50 cc/min. at 70 bar响应时间2 ms弹簧调压范围A 7 to 210 bar, preset预设定:70bar
B 3.5 to 105 bar, preset预设定:70bar
C 10.5 to 420 bar, preset预设定:70bar
D 1.7 to 55 bar, preset预设定:28bar
E 1.7 to 28 bar, preset预设定:14bar
W 10.5 to 315 bar, preset预设定:70bar温度-40°F to +250°F(-40°C to +120°C)油液Mineral-based fluids with viscosities of 7.4 to 420 cSt.(矿物油粘度)阀块材料钢和球铁允许使用最大压力350bar -
文件下载
PDF文件 -
相关辅件












