展开全部
收起全部
-
技术特性
工作:
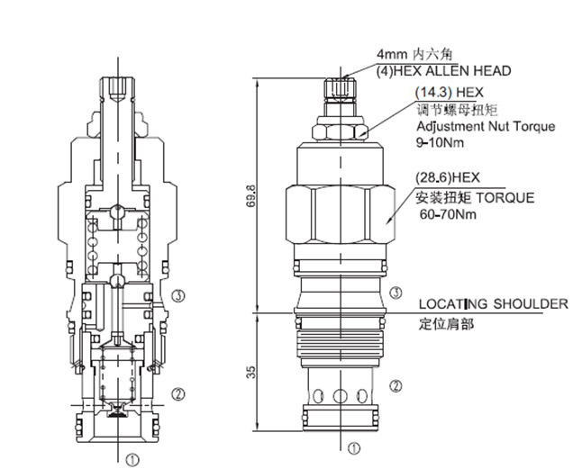
此阀为常闭压力调节阀。当进口(口①)压力达到阀设定值,阀开始向油箱(口②)
溢流,节流以调节压力。此类阀在主级活塞和先导级之间提供了一个外接口(口③),
可以接入其它先导级控制阀或2 通阀实现远程控制。此类阀压力调节精度高,压力波
动随流量变化小,并且调节平稳,噪声小,响应速度适中。
-
技术曲线

-
技术参数
工作压力350Bar流量请查看《压力-流量曲线图》插孔SUN T-2A内泄漏50 cc/min(毫升/分)Max at 70bar.弹簧调压范围A 7-210 bar; Preset(预设定):70bar
W 10.5-315 bar; Preset(预设定):70bar
B 3.5-105 bar; Preset(预设定):70bar
C 10.5-420 bar; Preset(预设定):70bar
D 1.7- 55 bar; Preset(预设定):28bar
E 1.7- 28 bar; Preset(预设定):14bar温度-40°F to +250°F(-40°C to +120°C)油液Mineral-based fluids with viscosities of 7.4 to 420 cSt.(矿物油粘度)阀块材料钢和球铁允许使用最大压力350bar -
文件下载
PDF文件 -
相关辅件












