展开全部
收起全部
-
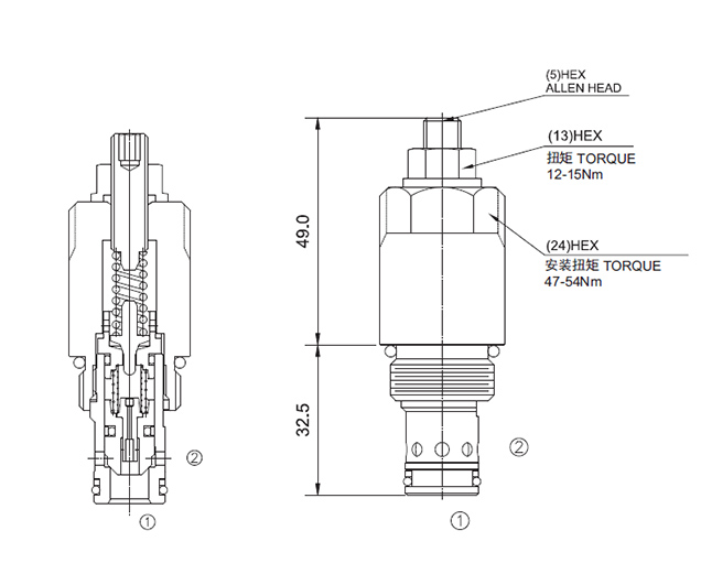
技术特性
工作:
阀体①口和②口不通, 直到①口压力超过设定压力且打开先导阀芯。这样, 先导阀芯
引起主阀芯两端压力差的变化, 压力差达到一定时, ①口和②口互通。
当在②口的压力超过①口2-3bar, ②到①打开。稳定后, 压力平稳值为1.4bar。
-
技术参数
流量100 L/min.插孔10-2过滤参考《油液清洁度》最大工作压力350Bar内泄漏10 drops/min(滴/分). max. to 80% of nominal setting温度-40°F to +250°F(-40°C to +120°C)油液Mineral-based fluids with viscosities of 7.4 to 420 cSt.(矿物油粘度)阀块材料钢和球铁允许使用最大压力350bar -
文件下载
PDF文件 -
相关辅件












