展开全部
收起全部
-
技术特性
工作:
阀的“P”和“T” 口不通, 直到“P”口压力超过设定压力且打开先导阀芯。这样先
导阀芯引起主阀芯两端压力差的变化, 压力差达到一定时,“P”口到“T”口互通。
-
技术曲线

-
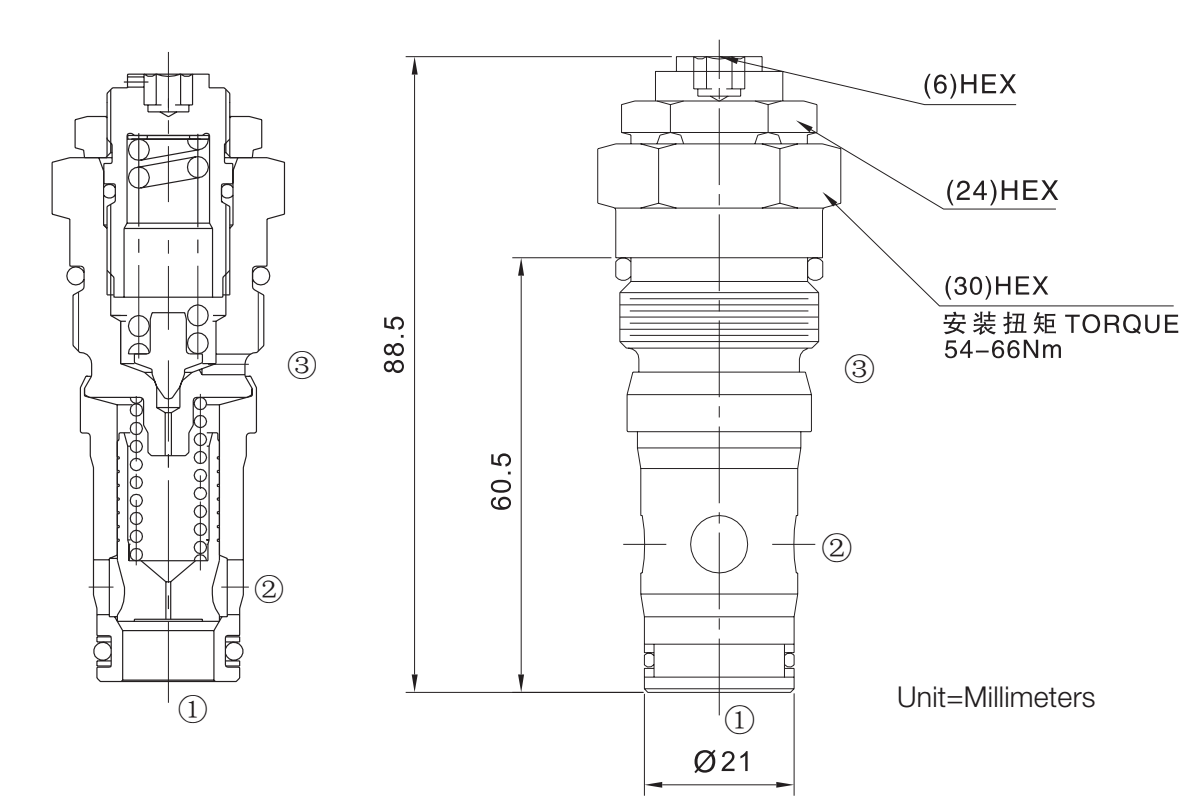
技术参数
流量250L/min.插孔22K2过滤参考《油液清洁度》最大工作压力350Bar闭合压力85% of crack pressure开启压力 (crack pressure at 0.95 lpm /0.25 gpm)温度-40°F to +250°F(-40°C to +120°C)油液Mineral-based fluids with viscosities of 7.4 to 420 cSt.(矿物油粘度)阀块材料钢和球铁允许使用最大压力350bar -
文件下载
PDF文件 -
相关辅件












